


| 工作压力(MPa) | 1.0~4.0 |
|---|---|
| 适用温度(℃) | ≤425 |
| 阀体、蝶板材质 | WCB |
| 阀杆材质 | 2Cr13 |
| 阀体密封面 | 堆焊 507 |
| 蝶板密封面 | 304+柔性石墨 |
| 填料 | 柔性石墨 |
D343H蝶阀采用三偏心多层次金属硬密封结构,配备J形弹性密封圈与不锈钢材质密封组件,阀板密封面经堆焊钴基硬质合金处理。绗架结构设计降低流阻并提高强度,实现双向密封且安装不受介质流向限制。产品符合GB/T12238-2008等国家标准,适用介质包括水、蒸汽、油品及腐蚀性流体,具备耐高温、耐磨损特性。
D343H蝶阀适用于介质温度≤425℃的食品.医药.石油化工.电厂.钢厂工业环保水处理及高层建筑,供排水管道上作调节流量和截断流体优良装置。
D343H蝶阀的公称通径范围为DN50-DN1200,适用压力≤6.4MPa,阀体材质涵盖铸铁、铸钢、不锈钢等组合,驱动方式支持手动、蜗轮、气动、电动多种形式。
采用三偏心多层次金属硬密封结构,配备J形弹性密封圈与不锈钢材质密封组件,阀板密封面经堆焊钴基硬质合金处理。绗架结构设计降低流阻并提高强度,实现双向密封且安装不受介质流向限制。产品符合GB/T12238-2008等国家标准,适用介质包括水、蒸汽、油品及腐蚀性流体,具备耐高温、耐磨损特性。
金属硬密封蝶阀采用三偏心密封结构,阀座与蝶板几乎无磨损,具有越观越紧的密封功能,
密封圈选用不锈钢制作,具有金属硬密封和弹性密封的双重优点,无论在低温和高温的情况下,均具有优良的密封性能,具有耐腐蚀,使用寿命长等特点。
蝶板密封面采用堆焊钴基硬质合金,密封面耐磨损,使用寿命长。
大规格蝶板采用绗架结构,强度高,过流面积大,流阻小。
金属硬密封蝶阀具有双向密封功能,安装时不受介质流向的限制,也不受空间位置的影响,可在任何方向安装。
驱动装置可以多工位(旋转90°或180°)安装,便于用户使用。

| 主要技术参数 | ||||||
|---|---|---|---|---|---|---|
| 项目 | 单位/分类 | 数值/范围 | ||||
| 公称通径 | DN(mm) | DN50~DN2000 | DN50~DN500 | |||
| 公称压力 | PN(MPa) | 0.6 | 1.0 | 1.6 | 2.5 | 4.0 |
| 试验压力Ps(MPa) | 强度试验 | 0.9 | 1.5 | 2.4 | 3.75 | 6.0 |
| 密封试验 | 0.66 | 1.1 | 1.76 | 2.75 | 4.4 | |
| 气密封试验 | 0.6 | 0.6 | 0.6 | 0.6 | 0.6 | |
| 适用温度 | - | 水、蒸气、油品、酸类腐蚀性等。 | ||||
| 适用介质 | - | 碳钢:-29℃~425℃;不锈钢:-40℃~600℃ | ||||
| 主要零件的材质 | |
|---|---|
| 零件名称 | 材料 |
| 阀体 | 铸铁、铸钢、不锈钢、铬钼钢、合金钢 |
| 蝶板 | 铸钢、合金钢(镀硬铬)、不锈钢、铬钼钢 |
| 阀座密封圈 | 不锈钢、多层次、聚内脂、抗磨材料 |
| 阀杆 | 2Cr13、1Cr13不锈钢、铬钢 |
| 填料 | 柔性石墨 |
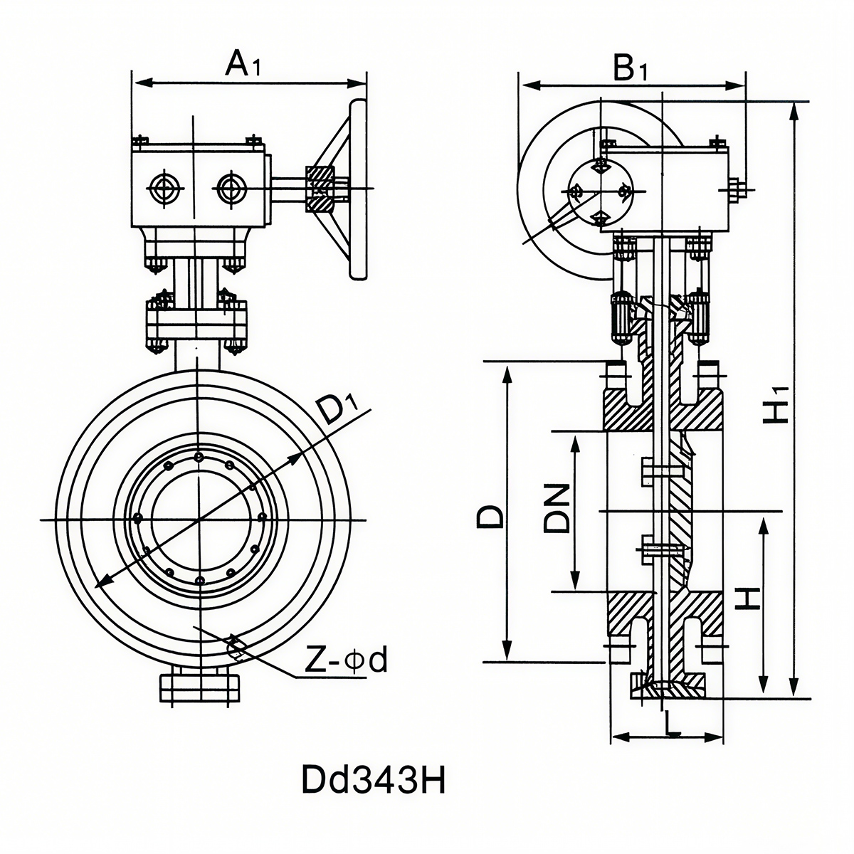
| 主要连接及外形尺寸(mm) | ||||||||||||||||||||||||||
|---|---|---|---|---|---|---|---|---|---|---|---|---|---|---|---|---|---|---|---|---|---|---|---|---|---|---|
| 公称通径DN | 结构长度标准(标准值)L | 外形尺寸(参考值)H | Dd343H | Dd643H | Dd943H | 连接尺寸(标准值)PN0.6MPa | 连接尺寸(标准值)PN1.0MPa | 参考重量(kg) | ||||||||||||||||||
| 毫米mm | 英寸inch | 短Brief | 长Long | H1 | A1 | B1 | H2 | A2 | B2 | H3 | A3 | B3 | D | D1 | Z-Φd | D | D1 | Z-Φd | ||||||||
| 50 | 2 | 108 | 150 | 112 | 350 | 180 | 200 | 625 | 245 | 72 | 530 | 250 | 255 | 140 | 110 | 4-Φ14 | 165 | 125 | 4-Φ18 | 17 | ||||||
| 65 | 2½ | 112 | 170 | 115 | 370 | 180 | 200 | 625 | 245 | 72 | 530 | 250 | 255 | 160 | 130 | 4-Φ14 | 185 | 145 | 4-Φ18 | 20 | ||||||
| 80 | 3 | 114 | 180 | 120 | 380 | 180 | 200 | 645 | 245 | 72 | 565 | 250 | 255 | 190 | 150 | 8-Φ18 | 200 | 160 | 8-Φ18 | 23 | ||||||
| 100 | 4 | 127 | 190 | 138 | 420 | 180 | 200 | 675 | 355 | 92 | 600 | 250 | 255 | 210 | 170 | 8-Φ18 | 220 | 180 | 8-Φ18 | 25 | ||||||
| 125 | 5 | 140 | 200 | 164 | 460 | 180 | 200 | 715 | 355 | 92 | 640 | 250 | 255 | 240 | 200 | 8-Φ18 | 250 | 210 | 8-Φ18 | 40 | ||||||
| 150 | 6 | 140 | 210 | 175 | 555 | 270 | 280 | 800 | 355 | 92 | 705 | 300 | 315 | 265 | 225 | 8-Φ18 | 285 | 240 | 8-Φ22 | 47 | ||||||
| 200 | 8 | 152 | 230 | 200 | 760 | 400 | 425 | 850 | 250 | 170 | 775 | 300 | 315 | 320 | 280 | 8-Φ18 | 340 | 295 | 8-Φ22 | 60 | ||||||
| 250 | 10 | 165 | 250 | 243 | 830 | 400 | 425 | 925 | 250 | 170 | 945 | 300 | 315 | 375 | 335 | 12-Φ18 | 395 | 350 | 12-Φ22 | 95 | ||||||
| 300 | 12 | 178 | 270 | 250 | 895 | 450 | 560 | 1035 | 450 | 220 | 1070 | 300 | 315 | 440 | 395 | 12-Φ22 | 445 | 400 | 12-Φ22 | 124 | ||||||
| 350 | 14 | 190 | 290 | 280 | 950 | 450 | 560 | 1070 | 450 | 220 | 1140 | 300 | 315 | 490 | 445 | 12-Φ22 | 505 | 480 | 16-Φ22 | 181 | ||||||
| 400 | 16 | 216 | 210 | 305 | 1190 | 535 | 580 | 1190 | 450 | 220 | 1210 | 300 | 315 | 540 | 495 | 16-Φ22 | 565 | 515 | 16-Φ26 | 260 | ||||||
| 450 | 18 | 222 | 330 | 350 | 1255 | 535 | 580 | 1250 | 650 | 280 | 1335 | 575 | 714 | 595 | 550 | 16-Φ22 | 615 | 565 | 20-Φ25 | 338 | ||||||
| 500 | 20 | 229 | 350 | 390 | 1305 | 535 | 580 | 1290 | 650 | 280 | 1415 | 575 | 714 | 645 | 600 | 20-Φ22 | 670 | 650 | 20-Φ26 | 360 | ||||||
| 600 | 24 | 267 | 390 | 445 | 1340 | 570 | 660 | 1455 | 850 | 380 | 1605 | 656 | 810 | 755 | 705 | 20-Φ26 | 780 | 725 | 20-Φ30 | 540 | ||||||
| 700 | 28 | 292 | 430 | 480 | 1520 | 750 | 550 | 1585 | 850 | 380 | 1844 | 656 | 810 | 860 | 810 | 24-Φ26 | 895 | 840 | 24-Φ30 | 580 | ||||||
| 800 | 32 | 318 | 470 | 530 | 1710 | 750 | 550 | 1700 | 1250 | 380 | 2040 | 656 | 810 | 975 | 920 | 24-Φ30 | 1015 | 950 | 24-Φ33 | 845 | ||||||
| 900 | 36 | 330 | 510 | 580 | 1810 | 750 | 550 | 1965 | 1250 | 380 | 2255 | 785 | 863 | 1075 | 1020 | 24-Φ30 | 1115 | 1050 | 28-Φ33 | 1050 | ||||||
| 1000 | 40 | 410 | 550 | 650 | 1960 | 900 | 750 | 2015 | 1250 | 380 | 2380 | 785 | 863 | 1175 | 1120 | 28-Φ30 | 1230 | 1160 | 28-Φ33 | 1500 | ||||||
| 1200 | 48 | 470 | 530 | 760 | 2250 | 1000 | 925 | 2250 | 1250 | 380 | 2640 | 785 | 863 | 1405 | 1340 | 32-Φ33 | 1455 | 1380 | 32-Φ39 | 2000 | ||||||
| 1400 | 56 | 530 | 710 | 850 | 2435 | 1000 | 925 | 2886 | 810 | 890 | 1630 | 1560 | 36-Φ36 | 1675 | 1590 | 36-Φ42 | 3000 | |||||||||
| 1600 | 64 | 600 | 790 | 1030 | 2780 | 1000 | 925 | 3156 | 810 | 890 | 1830 | 1760 | 40-Φ36 | 1915 | 1820 | 40-Φ48 | 4700 | |||||||||
| 1800 | 72 | 670 | 870 | 1230 | 3020 | 1100 | 980 | 3421 | 830 | 830 | 2045 | 1970 | 44-Φ39 | 2115 | 2020 | 44-Φ48 | 6500 | |||||||||
| 2000 | 80 | 760 | 950 | 1350 | 3270 | 1100 | 980 | 3685 | 850 | 940 | 2265 | 2180 | 48-Φ42 | 2325 | 2230 | 48-Φ48 | 8700 | |||||||||