



| 公称通径DN(mm) | 50~2000 |
|---|---|
| 公称压力PN(MPa) | 0.6/1.0 |
| 密封试验(MPa) | 0.66/1.1 |
| 强度试验(MPa) | 0.9/1.5 |
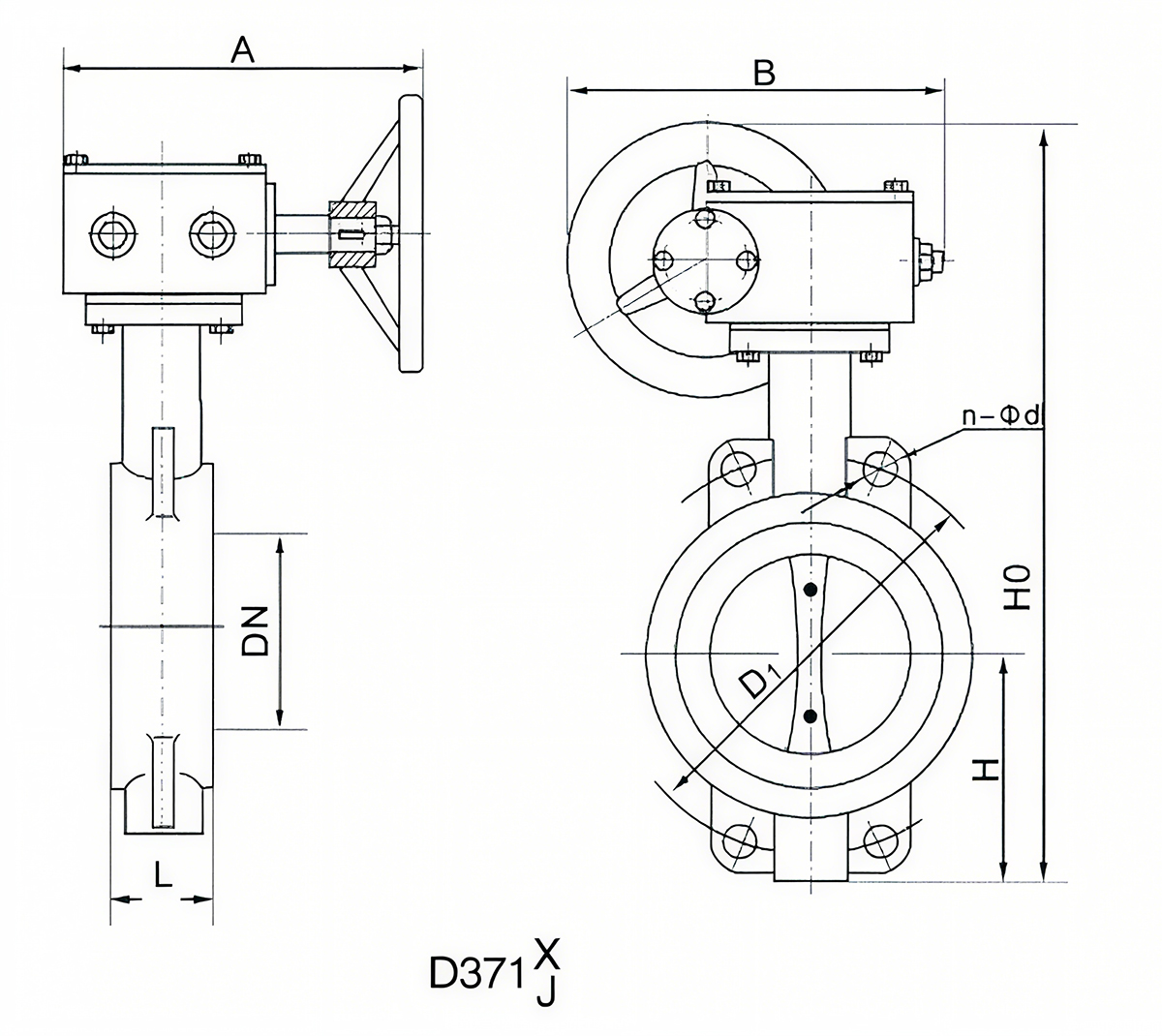
D371F/F46/F3-16P/R 涡轮对夹密封型中心垂直板软密封不锈钢(304、316)蝶阀
D371X蜗轮对夹式蝶阀是一种采用双偏心法兰式结构的流体控制设备,主要应用于水厂、电厂、钢厂、造纸、化工、饮食等系统的供排水管路中,具备调节和截止功能。该阀驱动方式包含蜗轮传动,连接形式为对夹式,适用温度范围为-40℃~90℃(丁腈橡胶密封),公称压力PN1.0MPa
本阀采用双偏心结构,具有越关越紧的密封功能,密封性能可靠。密封副材料选用不锈钢和丁腈耐油橡胶配对,使用寿命长。橡胶密封圈既可位于阀体上,也可以位于蝶板上,可适用不同特点的介质,供用户选择。蝶板采用框架结构,强度高,过流面积大,流阻小。整体烤漆、能有效地防止锈蚀且只要更换密封阀座密封材料,就可使用于不同介质。本阀具有双向密封功能,安装时不受介质流向的控制,也不受空间位置的影响,可在任何方向安装。本阀结构独特,操作灵活,省力,方便。
用途及特点 软密封蝶阀适用于温度≤120℃,公称压力≤1.6MPa的食品、医药、化工、石油、电力、轻纺、造纸等给排水、气体管道上作调节流量和截流介质的作用。
其主要特点为:
设计、制造标准
设计标准:GB/T12238-1989
法兰连接尺寸:GB/T9113.1-2000;GB/T9115.1-2000;JB78
结构长度:GB/T12221-1989
压力试验:GB/T13927-1992;JB/T9092-1999

| 主要技术参数 | ||||
|---|---|---|---|---|
| 公称通径 | DN(mm) | 50~2000 | ||
| 公称压力 | PN(MPa) | 0.6 | 1.0 | 1.6 |
| 试验压力 Ps(MPa) | 强度试验 | 0.9 | 1.5 | 2.4 |
| 密封试验 | 0.66 | 1.1 | 1.76 | |
| 气密封试验 | 0.6 | 0.6 | 0.6 | |
| 适用介质 | 空气、水、蒸气、煤气、油品等。 | |||
| 驱动形式 | 手动、蜗杆蜗轮传动、气动、电动。 | |||
| 主要零件的材质 | |
|---|---|
| 零件名称 | 材料 |
| 阀体 | 球墨铸钢、铸钢、合金钢、不锈钢 |
| 蝶板 | 灰铸铁、球墨铸钢、铸钢、不锈钢及特殊材料 |
| 密封圈 | 各种橡胶、聚四氟 |
| 阀杆 | 2Cr13、不锈钢 |
| 填料 | O型圈、柔性石墨 |
| 蝶阀密封材料选用和适用温度 | ||||||
|---|---|---|---|---|---|---|
| 材料品种 | 氯丁橡胶 | 丁腈橡胶 | 乙丙橡胶 | 聚四氟乙烯 | 硅橡胶 | 氟橡胶 |
| 代号 | X | J | YBX | F | GX | FJ |
| 耐最高温度 | 82℃ | 93℃ | 150℃ | 232℃ | 250℃ | 204℃ |
| 耐最低温度 | -40℃ | -40℃ | -40℃ | -268℃ | -70℃ | -23℃ |
| 适用工作温度 | ≤65℃ | ≤80℃ | ≤120℃ | ≤200℃ | ≤200℃ | ≤180℃ |